Snapper Rear Engine Parts . Snapper 3317523BVE (7800254) Snapper 33" RearEngine Riding Mower, 17 Snapper 1664019A 30" Rear Engine Riding Mower Blade FITS: 2008 & newer Snapper RE13530 30" rear engine riding mowers; 2008 & newer Snapper RE200 30" rear engine riding mowers; 2008 & newer Simplicity Coronet 30" rear engine riders; and others; Blades sold individually. Snapper Rear-Engine Riding Mowers Parts Lookup & Diagrams Snapper Rear-Engine Riding Mowers ( 358 Models) Filter Results
Snapper 301320BE (84583) Snapper 30" RearEngine Riding Mower, 13hp from www.partstree.com
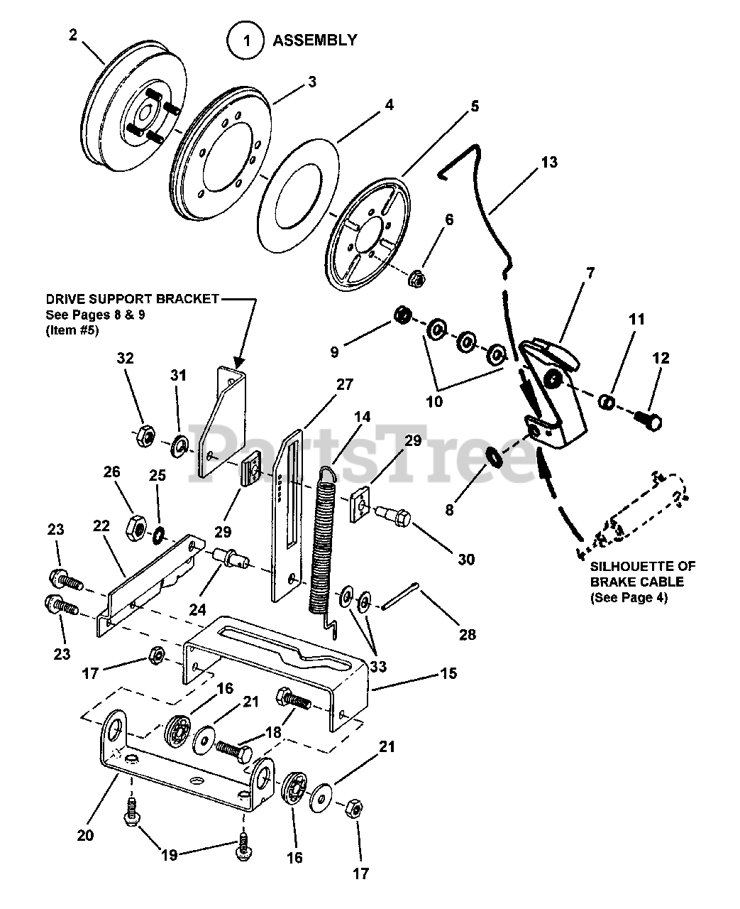
Complete exploded views of all the major manufacturers When your Snapper rear engine riding mower isn't working, find the repair parts you need to fix the mower at Sears PartsDirect.
Snapper 301320BE (84583) Snapper 30" RearEngine Riding Mower, 13hp Snapper Rear Engine Riders Parts Diagrams Disc Drive Snapper Rear-Engine Riding Mowers Parts Lookup & Diagrams Snapper Rear-Engine Riding Mowers ( 358 Models) Filter Results 281223BVE (85622) - Snapper 28" Rear-Engine Riding Mower, 12hp Parts & Diagrams Parts Lists & Diagrams.
Source: www.partstree.com Snapper 381451HBVE (84393) Snapper 38" RearEngine Riding Mower, 14hp , Premium Hydro Drive Mower Parts; Rear Engine Rider Accessories; Links Rear Engine Rider Lawn Mower Parts; Walk Behind Lawn Mower Parts; Tractor Parts; ZTR Mower Parts; Tiller Parts; Snowblower Parts; Parts by Type; Top Sellers
Source: www.jackssmallengines.com Snapper 86794 308X, 30" 8 HP Rear Engine Rider Comet Series X Parts , Search by part number or model number & locate equipment parts diagrams HD Switch 2 Pack Hub Cap 7011022YP 7011022 11022 1-1022 7026627 26627 2-6627 fits Snapper Rear Engine Rider Yard Cruiser Scrambler Yard Garden Tractor Lawn Mower Front Wheel Hubcap Cover
Source: www.jackssmallengines.com Snapper 7800785 2812524BVE, 28" 12.5 HP Rear Engine Rider Series 24 , Looking for parts for a product? Visit our online parts store to purchase genuine OEM parts. Snapper rear engine riding mowers are packed with safety features that help prevent injuries when you're mowing
Source: techdiagrammer.com The Ultimate Guide to Understanding the Snapper Rear Engine Mower Parts , Snapper 1664019A 30" Rear Engine Riding Mower Blade FITS: 2008 & newer Snapper RE13530 30" rear engine riding mowers; 2008 & newer Snapper RE200 30" rear engine riding mowers; 2008 & newer Simplicity Coronet 30" rear engine riders; and others; Blades sold individually. Snapper Rear Engine Riders Exploded View parts lookup by model
Source: stewart-switch.com The Ultimate Guide to Understanding Snapper Rear Engine Parts Diagram , Snapper 1664019A 30" Rear Engine Riding Mower Blade FITS: 2008 & newer Snapper RE13530 30" rear engine riding mowers; 2008 & newer Snapper RE200 30" rear engine riding mowers; 2008 & newer Simplicity Coronet 30" rear engine riders; and others; Blades sold individually. Repair parts and diagrams for RE 110 (7800950-00) - Snapper 28" Rear-Engine Riding Mower, 11.5hp.
Source: www.partstree.com Snapper 3317523BVE (7800254) Snapper 33" RearEngine Riding Mower, 17 , Links; Briggs & Stratton Engine Parts; Snapper Pro Parts; Snapper 28" Rear-Engine Riding Mower, 11.5hp > Parts Diagrams (16) 28" Deck Assembly, RER
Source: www.jackssmallengines.com Snapper 7084940 2811523BV, 28" 11.5 HP Rear Engine Rider Series 23 , When your Snapper rear engine riding mower isn't working, find the repair parts you need to fix the mower at Sears PartsDirect. Snapper 28" Rear-Engine Riding Mower, 11.5hp > Parts Diagrams (16) 28" Deck Assembly, RER
Source: www.jackssmallengines.com Snapper REX110 (780093400) 28" 11.5 Gross TP Rear Engine Rider REX110 , HD Switch 2 Pack Hub Cap 7011022YP 7011022 11022 1-1022 7026627 26627 2-6627 fits Snapper Rear Engine Rider Yard Cruiser Scrambler Yard Garden Tractor Lawn Mower Front Wheel Hubcap Cover Genuine snapper Rear Engine Rider Lawn Mower Parts
Source: www.partstree.com Snapper M 281019BE (84319) Snapper 28" RearEngine Riding Mower, 10hp , Snapper makes rear engine riding mowers that are built for top performance Snapper Rear-Engine Riding Mowers Parts Lookup & Diagrams Snapper Rear-Engine Riding Mowers ( 358 Models) Filter Results
Source: www.partstree.com Snapper 2812524BVE (7800785) Snapper 28" RearEngine Riding Mower, 12 , Links; Briggs & Stratton Engine Parts; Snapper Pro Parts; CUTTING DECKS & DEFLECTOR (28" & 33" Hi-Vac) DECALS
Source: www.partstree.com Snapper 3012523BVE (7800105) Snapper 30" RearEngine Riding Mower, 12 , Snapper rear engine riding mowers are packed with safety features that help prevent injuries when you're mowing Premium Hydro Drive Mower Parts; Rear Engine Rider Accessories; Links
Source: www.jackssmallengines.com Snapper 84698 W280922B, 28" 9 HP Rear Engine Rider Series 22 Parts , Snapper 28" Rear-Engine Riding Mower, 11.5hp > Parts Diagrams (16) 28" Deck Assembly, RER HD Switch 2 Pack Hub Cap 7011022YP 7011022 11022 1-1022 7026627 26627 2-6627 fits Snapper Rear Engine Rider Yard Cruiser Scrambler Yard Garden Tractor Lawn Mower Front Wheel Hubcap Cover
Source: corpoticieu.pages.dev Snapper Rear Engine Rider Parts Diagram , When your Snapper rear engine riding mower isn't working, find the repair parts you need to fix the mower at Sears PartsDirect. Find parts, service and manual information for your Snapper product below
Source: www.jackssmallengines.com Snapper 7800785 2812524BVE, 28" 12.5 HP Rear Engine Rider Series 24 , 281223BVE (85622) - Snapper 28" Rear-Engine Riding Mower, 12hp Parts & Diagrams Parts Lists & Diagrams. Call Us 786-592-2094; Home; Snapper Parts Lookup; About Us; Model Locator;
Source: stewart-switch.com The Ultimate Guide to Understanding Snapper Rear Engine Parts Diagram , Find genuine Snapper parts fast with our mobile friendly parts lookup tool Snapper Rear-Engine Riding Mowers Parts Lookup & Diagrams Snapper Rear-Engine Riding Mowers ( 358 Models) Filter Results
Snapper 301320BE (84583) Snapper 30" RearEngine Riding Mower, 13hp . Buy original Mower Parts from an Authorized Snapper Dealer Rear Engine Rider Lawn Mower Parts; Walk Behind Lawn Mower Parts; Tractor Parts; ZTR Mower Parts; Tiller Parts; Snowblower Parts; Parts by Type; Top Sellers
Snapper E 2812523BVE (7800117) Snapper 28" RearEngine Riding Mower . Snapper 28" Rear-Engine Riding Mower, 12hp > Parts Diagrams (21) ACCESSORIES & ATTACHMENTS Snapper Rear Engine Riders Exploded View parts lookup by model